|
SHINE
AMPLIFIERS
ECC88
PARALLEL PUSH PULL, "CIRCLOTRON", HEADPHONE AMPLIFIER
PROTOTYPE
|
|

SHINE
vol 3 OTL proto |
|
Shine
protot on koottu suoralle alumiinilevylle. Yläpintaan on
lisätty koristeet 2 mm:n PVC muovista. Nämä tulivat
mukaan siksi, että alumiinilevystä puuttui pala
verkkokytkimen kohdalta ja näin sain lisäpalan
piilotettua näkymättömiin. Levyn alapinnassa on kehys 3
mm:n muovista tukemaan irtopalaa ja varmistamaan
verkkojohdon ulosotto. Pohjana on alumiininen Hammond
kotelo. Tätä mekaniikkaa on käytetty muihinkin
protoihin ja rei'itetty niitä varten. Siksi olen joutunut
käyttämään ylimääräistä palaa päätemuuntajan
alla. Ensimmäinen vahvistin tässä mekaniikassa oli ECL82
proto, joka tarvitsi silloin kaksi verkkomuuntajaa.
Tämä on osoittautunut hyväksi ratkaisuksi myöhemmissä
protoissa. Myös PCL84
SE proto on koottu tähän mekaniikkaan. |
|
|
|

|
|
SHINE
PROTOJEN KYTKENTÄSUUNNITELMA KUVASSA
ESIASTEITTEN NEGATIIVISEN JÄNNITTEEN KAHDENTAJA |
|
|

|
|
KYTKENTÄSUUNNITELMAN
TOTEUTUS |
|
|

|
|
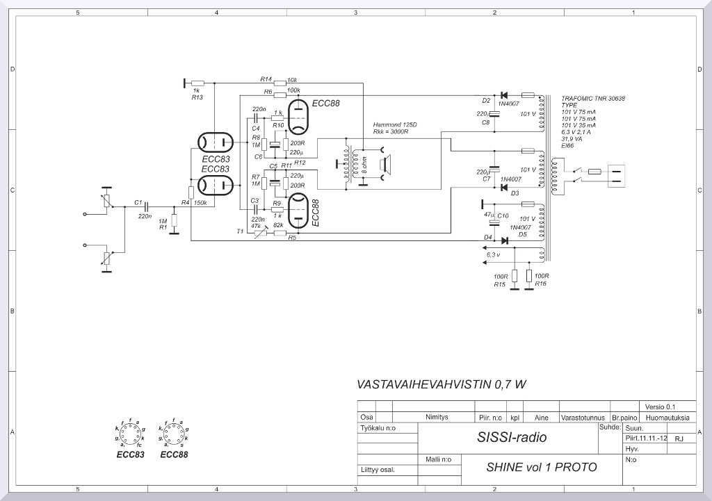
SHINE
VOL 1 PROTO KYTKENTÄKAAVIO |
|
|

|
|
SHINE
VOL 2 OTL PROTO KYTKENTÄKAAVIO |
|
|
|
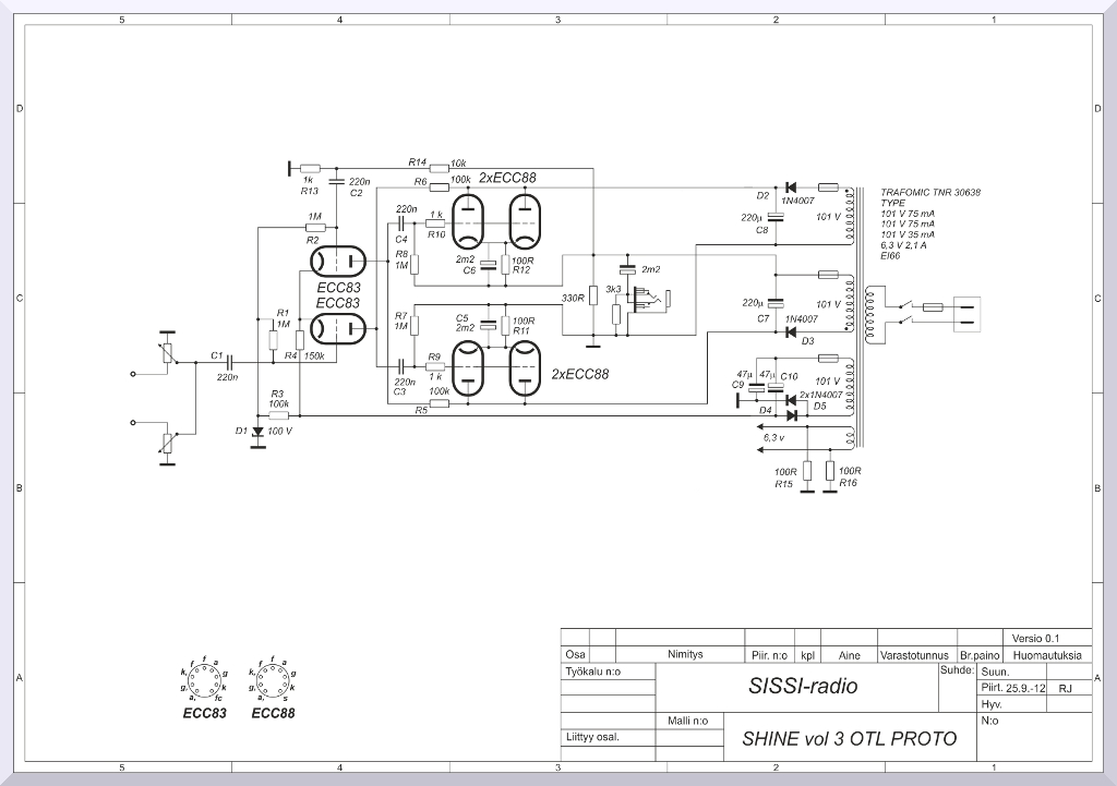
SHINE
VOL 3 OTL PROTO KYTKENTÄKAAVIO |
|