|
ECL82
VUOROVAIHERAKENTEET VAHVISTIMIEN
MALLIT JA VASTEET |
|
|

|
|
UL
VAHVISTIMEN PENTODIMALLI |
|
|

|
|
UL
PENTODIVAHVISTIMEN TAAJUUSVASTE 1
WATILLA |
|
|

|
VUOROVAIHE
TRIODIVAHVISTIMEN MALLI |
|
 |
VUOROVAIHE
TRIODIVAHVISTIMEN TAAJUUSVASTE 1 WATILLA |
|
 |
|
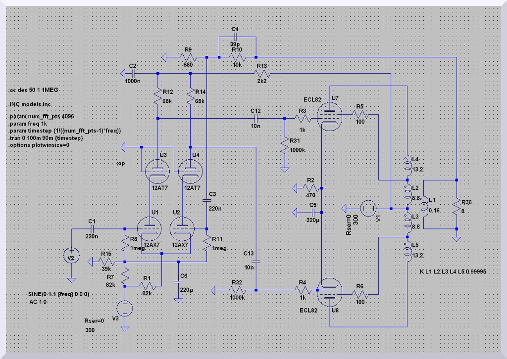
VASTAVAIHEVAHVISTIMEN
PENTODIMALLI |
|
 |
|
VASTAVAIHE
PENTODIVAHVISTIMEN TAAJUUSVASTE 1 WATILLA |
|
 |
|
VASTAVAIHE
TRIODIVAHVISTIMEN MALLI |
|
 |
|
VASTAVAIHE
TRIODIVAHVISTIMEN TAAJUUSVASTE 1 WATILLA |
|
 |
|
SE
VUOROVAIHE PENTODIVAHVISTIMEN MALLI |
|
 |
|
SE
VUOROVAIHE PENTODIVAHVISTIMEN TAAJUUSVASTE 1 WATILLA |
|
 |
|
SE
VUOROVAIHE TRIODIVAHVISTIMEN MALLI |
|
 |
|
SE
VUOROVAIHE TRIODIVAHVISTIMEN TAAJUUSVASTE 1 WATILLA |
|