MULLARD
5-10 VAHVISTIMEN
LTSPICE SIMULAATIOT 2 |
|

|
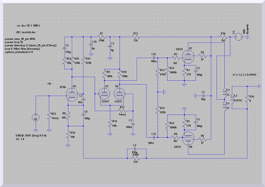
MULLARD
5-10 VAHVISTIMEN SIMULAATIOMALLI |
|

|
TAAJUUSVASTE 1 W RAA 10k
VASTAKYTKENTÄ
30 dB
C4
= 0p ja C9 = 0p |
|

|
LÄHTÖSIGNAALI
1 W TEHOLLA RAA 10k, VASTAKYTKENTÄ 30 dB C4
= 0p ja C9 = 0p |
|
 |
LÄHTÖSIGNAALI
1 W TEHOLLA RAA 10K,
VASTAKYTKENTÄ 30 dB C4
= 150p, C9 = 0p |
|
 |
LÄHTÖSIGNAALI
10 W TEHOLLA RAA 10k, VASTAKYTKENTÄ 30 dB |
|
 |
OHJAUS
EL84 HILOILLA 1 W RAA
10k VASTAKYTKENTÄ
30 dB C4
= 150p ja C9 = 0p |
|
 |
SIGNAALI
EF86 ANODILLA 1 W
RAA 10k,
VASTAKYTKENTÄ 30 dB |
|
 |
TAAJUUSVASTE 1 W RAA 10k
VASTAKYTKENTÄ 18,5 dB
C4
= 0p, C9 = 0p, R100 = 100k |
|
 |
LÄHTÖSIGNAALI
1
W RAA 10k
VASTAKYTKENTÄ
18,5 dB |
|
 |
SPEKTRI
1
W RAA 10k
VASTAKYTKENTÄ
18,5 dB |
|
 |
LÄHTÖSIGNAALI
10
W RAA 10k
VASTAKYTKENTÄ
18,5 dB |
|
 |
SPEKTRI
10
W RAA 10k
VASTAKYTKENTÄ
18,5 dB |
|