Päätyihin
tulevat kytkentälevyt. Näitä varten tarvitaan kiinnikkeet, jotka
on asennettu sinkittyihin 1 mm:n teräslevyihin. Näitä asennuslevyjä
varten päätyyn liimattiin lisäpalat. Verkkojohto kuljetetaan
oikean asennuslevyn takana. Tätä varten hyllyn ja lisäpalojen väliin
jätettiin rako. Kytkentälevyn kiinnikkeiden muttereita varten
porattiin hyllyyn kolot ja jätettiin raot lisäpalojen väleihin.
Kytkentälevyä lyhennettiin verkkokytkintä varten. Verkkokytkin
koteloitiin, jotta verkkojännitteellisten ja kosketeltavien osien
välinen eristys täyttää vaatimukset. |
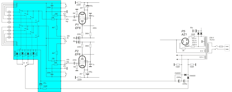
Vahvistimen
teossa on käytetty saatavilla olevia komponentteja. Näiden
asennussyvyydet etulevystä vaihtelevat. Syvyyksien tasaamiseksi
säätimiä ja kytkimiä varten tehtiin polykarbonaatista
apualusta. Potentiometrin ja kytkimien asennusta varten muovisen
apusassiksen takaosassa ovat metalliset levyt 1 mm:n sinkitystä
teräksestä.
Potentiometri on peräisin Salora 6600
yhdistelmälaitteesta. Kiertokytkin puolestaa tulee Rotelin
stereovastaanottimesta RX-152MKII. Painokytkimet ovat myös
jostakin kaukoidän viritinvahvistimesta, jonka tyyppiä en nyt
muista. Pyöreät nupit ovat Salora 6600:sta ja painokytkimien
nupit Pioneerin virittimestä TX-410L.
|

|
Paitsi
apusassista oikeaan päätyyn on joutunut tekemään muitakin
pieniä osia. Oikealla ylinnä ovat kuvat verkkokytkimen
suojuksesta. Materiaalina on 2 mm:n lasikuitulaminaatti. Tällä
kotelolla varmistetaan riittävä eriste verkkojännitteellisten
ja kosketeltavien osien välillä. Kriittisin on etäisyys kahvan
kiinnitysmutteriin. Tämä etäisyys on n. 4,5 mm. Tämä
riittäisi suojausluokka yhden laitteessa, mutta varaa olisi vain
0,5 mm, Pienikin virhe suunnittelussa johtaisi liian pieneen
etäisyyteen ja tässä suhteessa suojakotelo on
varma ratkaisu.
Alemmassa
kuvassa on vasemmalla volumepotikan liitäntälevy. Potentiometri
on tarkoitettu asennettavaksi piirilevylle. Johdotuksen olisi
voinut juottaa potentiometrin piikkeihin. Juotoskorvat kuitenkin
helpottavat johtojen asennusta. Keskellä on aluslevy, jolla
potentiometriä siirretään 1 mm taaksepäin. Ilman tätä
balanssin nuppi jäi häiritsevän kauas etulevystä. Oikealle on
johtotuki päädyn asennuslevyn ja muun vahvistimen välisille
johdoille. Tällä varmistetaan myös signaalijohtojen
maksimietäisyys verkko-jännitteestä. Siniset osat ovat
kutistesukkaa, joka on pujotettu metalliosien päälle ja sen
jälkeen kutistettu.
|
 |