RUSKA
PUNAINEN
(VASEN) PÄÄTY
|

vasemman
päädyn suunnitelma
|
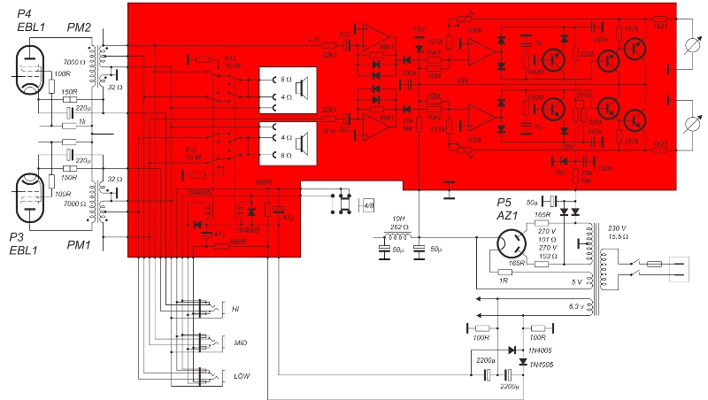
Vasemman
päädyn kytkentälevylle on keskitettu kaiutin ja kuulokeliitäntöihin sekä
mittareihin liittyvät komponentit.
|
Vasemman
päädyn kytken-tälevyn kytkentäkaavio on oikealla. Levyllä ovat
kaiutinohjausreleet, keino-kuormat ja mittarielektro-niikka. Releiden
ohjaukseen tarvittava jännite muodostetaan 6,3 voltin hehkujännitteestä.
|
|
|
|
|
Päädyn
rakenne on kerroksittainen. Rakenteen perustan muodostaa puinen
kehä, johon on liimattu hylly sassista varten ja päihin 4 mm:n
peitelevyt. Pintakäsittelynä on maalaus mustaksi. |

|
Päätyihin
tulevat kytkentälevyt. Näitä varten tarvitaan kiinnikkeet, jotka
on asennettu sinkittyihin 1 mm:n teräslevyihin. Näitä asennuslevyjä
varten päätyyn liimattiin lisäpalat. |
|
|
Vasemman
päädyn asennuslevy on 2 mm:n punaista
lasikuitulaminaattia. Juotospisteet ovat osittain
putkiniittejä ja osittain on tarkoitus juottaa johdon
päät toisiinsa. Tekniikkaa vastaa painettua piirilevyä.
Tämä on ensimmäinen kerta kun käytän tällaista
rakennetta ja lopputulos on tällä hetkellä (14.7.2014)
arvailujen varassa.
|

|
|

|
|

|
|
|
|
|
|
|
|