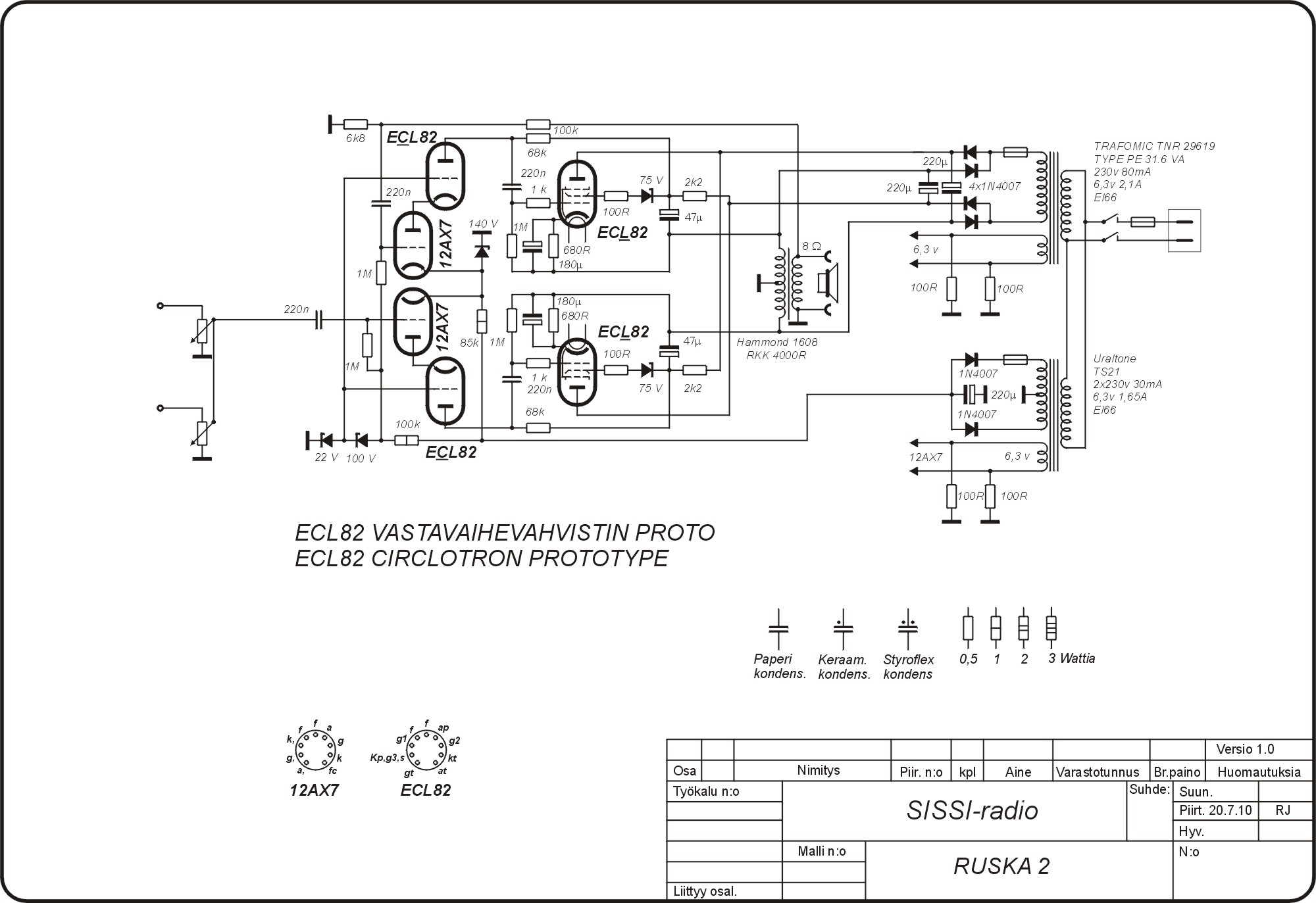
ECL82 VASTAVAIHEVAHVISTINPROTO
KYTKENTÄKAAVIO