VASTAVAIHEVAHVISTIMEN VIRTALÄHDE

PARALLEL PUSH-PULL AMPLIFIER, POWER SUPPLY

 

Vastavaihevahvistin tarvitsee toimiakseen yksikanavaisena kaksi riippumatonta anodijännitettä ja kaksikanavaisena vastaavasti neljä. Perinteellisesti anodijännitelähteet on tehty erillisillä käämeillä ja tasasuuntaajilla. Menetelmä toimii hyvin. Sillä on kuitenkin haittana kapasitiivinen kytkeytyminen anodijännitekäämien välillä. Tämä heikentää korkeitten taajuuksien toistoa. Suojaus anodikäämien välillä parantaa tilannetta. Valitettavasti neljällä erillisellä anodikäämillä varustettuja muuntajia ei ole saatavilla vaan ne joutuu yleensä teettämään. Siksi testattiin mahdollisuutta muodostaa kaksi riippumatonta anojännitettä yhdestä käämista. Testausta varten muodostettiin kolme erilaista kytkentää, joista jokaisella vahvistin toimi. Koekytkennöistä ainoastaan yksi toimi täysin moitteettomasti ja voidaan käyttää vastavaihevahvistimen virtalähteenä.  Haittana kytkennöissä oli puoliaaltotasasuuntauksen käyttö. Tämä puolestaan edellyttää suurempia suotokondensaattoreita. Kytkentä mahdollistaa parantuneen korkeitten taajuuksien toiston muuntajan kapasitiivisen kytkennän jäädessä pois. 

 

VIRTALÄHTEET:

POWER SUPPLIES:

 

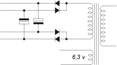
Perinteellinen kahden anodikäämin virtalähde. Toimii moitteettomasti

Traditional two windings power supply works perfectly

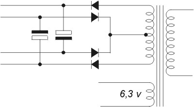
Kaksi riippumatonta anodijännitettä on muodostettu yhdestä anodikäämistä. 

Kytkentä toimii moitteettomasti. 

Power supply works perfectly

 

 

Kaksi riippumatonta anodijännitettä on muodostettu yhdestä anodikäämistä.

Käynnistysvaiheessa esiintyy hurinaa. Ilman ohjausta ainoa ongelma on lievä hurina. Ohjattaesssa vahvistinta esiintyy voimakkaita häiriöitä. Kytkentää ei voida käyttää vastavaihevahvistimessa.

Power supply does not work

 

 

Kaksi riippumatonta anodijännitettä on muodostettu yhdestä anodikäämistä.

Vahvistimen käynnistyksessä esiintyy voimakas hurina, jonka voimakkuus vaihtelee. Vahvistimen lämmettyä toimintakuntoon hurina vaimenee jonkin verran. Vahvistin toimii, mutta kytkentää ei voida hurinan takia käyttää.

Power supply does not work

 

 

 

 

         

 

ÄÄNENTOISTO

etusivu