SHINE
vol 1
ECC88
PARALLEL PUSH PULL, "CIRCLOTRON", AMPLIFIER
VAHVISTIN
RAKENTUU |

SHINE
vol 1 design |
|
|

|
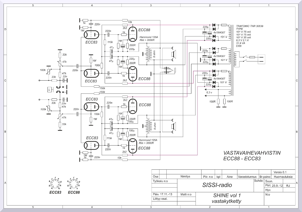
SHINE
vol 1 KYTKENTÄKAAVIO |
|

|
KOTELO
RAKENTUU LIITINPANEELI
JA SASSIS |
|

|
SHINE
vol 1 LAYOUT SUUNNITELMA ALTA |
|

|
|
|
KOTELO
RAKENTUU MASKI
EDESTÄ POHJA
JA KANSI VASTA POHJAMAALATTUINA |
|
|
KOTELO
RAKENTUU MASKI
JA PÄÄDYT POHJA
JA KANSI VASTA POHJAMAALATTUINA |
|
|
SHINE
vol 1 LIITTIMIEN SUUNNITELMA |
|
|
KOTELO
RAKENTUU LIITINPANEELI
TAKAA POHJA
JA KANSI VASTA POHJAMAALATTUINA |
|

|
SHINE
vol 1 KYTKENNÄT EDESTÄ |
|

|
SHINE
vol 1 KYTKENNÄT TAKAA |
|

|
|

|
SHINE
vol 1 VIRTALÄHDE ALTA KYTKENTÄTILANNE
31.12.2012 |
|

|
|