SHINE vol 3 OTL

ECC88 PARALLEL PUSH PULL, "CIRCLOTRON", HEADPHONE AMPLIFIER

DESIGN OF CIRCUITS 

Shine vol 3 OTL muotoilu edestä

Vahvistimen piirit toteutetaan ns. "eyelet" levyillä, joissa juotospisteinä käytetään putkiniittejä. Rakenteellisesti kytkennät on jaettu neljälle levylle. Peruslevy on näistä suurin. Tällä levyllä ovat kaikki kytkennät lukuunottamatta verkko-osaa, liittimiä, säätimiä ja niihin liittyviä kytkentöjä sekä loudness-kytkentään liittyviä komponentteja. Verkkojännitteiset osat on keskitetty vahvistimen vasempaan päätyyn kahdelle levylle. Loudness-kytkennän komponentit on sijoitettu vahvistimen etuosassa olevalle levylle. Tällä sijaitsevat myös kytkimien ledien kirkkauden ja kaiutinreleiden vetovirtojen säädöt. Myös loudness-rele on tällä levyllä.

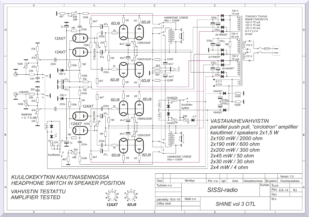
SHINE vol 3 OTL kytkentöjen suunnitelma

Verkko-osa on toteutettu suojausluokka 2:n vaatimusten mukaisesti. Verkkoliittimeltä verkkokytkimelle menevät ja muuntalle palaavat johdot ovat kaksoiseristettyjä ja muualla minimietäisyys verkon ja kosketeltavien osien välillä on vähintään 15 mm. Verkkomuuntajan johdot on tuotu verkkoliittimen alla (päällä) olevan levyn juotoskorviin. Näiden juotoskorvien ja kosketeltavien osien välillä on vahvennettu eristys. 

SHINE vol 3 OTL PERUSLEVYN KOMPONENTIT

SHINE vol 3 OTL PERUSLEVYN JOHDOTUS

SHINE vol 3 OTL SÄÄDINLEVYN JOHDOTUS

SHINE vol 3 OTL JOHDOTUS

SHINE vol 3 OTL KYTKENTÄKAAVIO