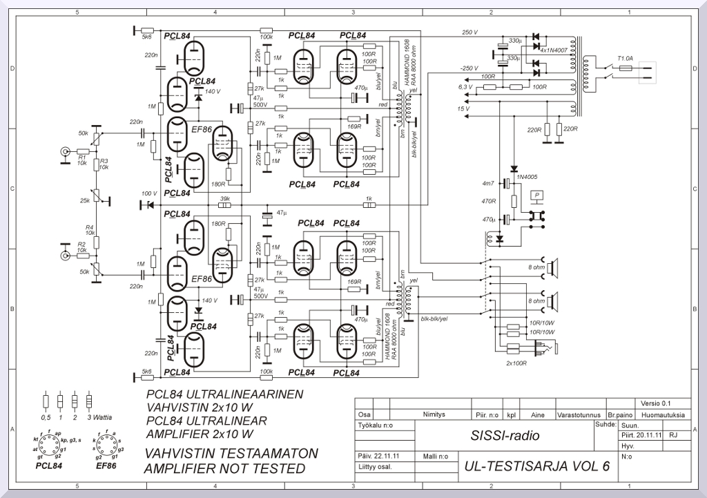
PCL84
UL TESTISARJA VOL 6 VAHVISTIMEN
LTSPICE SIMULAATIOT |
|

|
|

|
|

|
TAAJUUSVASTE
1 W, RAA 8K,
VASTAKYTKENTÄ 18,5 dB |
|

|
LÄHTÖSIGNAALI
1 W, RAA 8k, VASTAKYTKENTÄ 18,5 dB |
|
|
SPEKTRI
1 W, RAA 8k VASTAKYTKENTÄ
18,5 dB |
|
|
TAAJUUSVASTE
1 W, RAA
8k ILMAN VASTAKYTKENTÄÄ |
|
|
SPEKTRI
1 W, RAA
8k ILMAN VASTAKYTKENTÄÄ |
|