
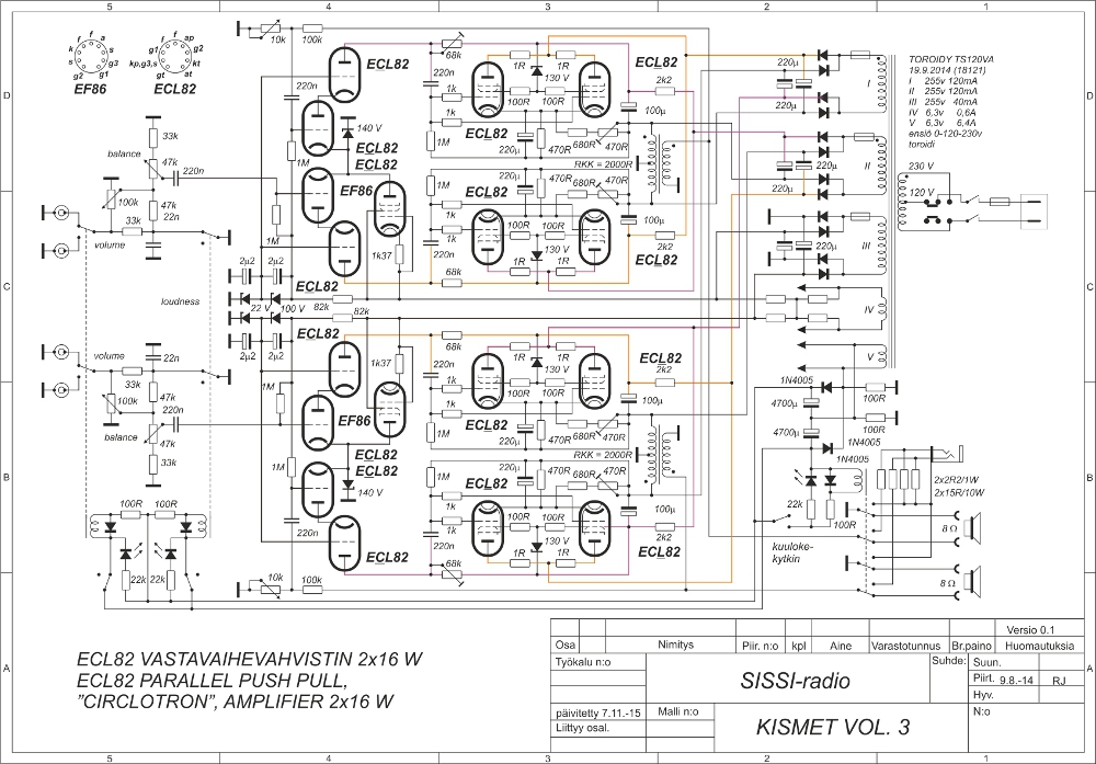
|
Vahvistimessa on säädettävä
vastakytkentä. Säätöalue on 0 dB - 20 dB. Alla on
simulaatiotulokset ilman vastakytkentää. Ylemmässä kuvassa
on taajuusvaste ja alemmassa kuvassa on harmooninen särö 1
watin lähtöteholla 8 ohmin kuormaan. Taajuusvaste on 23Hz - 15
kHz -1 dB ja thd 0,0056 %. |

|

|
Vahvistimen maksimi vastakytkentä
on 20 dB. Alla olevat simulaatiotulokset ovat tällä 20 dB:n
vastakytkennällä. Alla olevassa kuvassa on taajuusvaste, 2Hz -
103 kHz -1 dB. |

|
THD
1 watilla 8 ohmin kuormaan on 0,00056 %, kuva alla.
|

|
Keskeismodulaatiosärö,
imd, on samaten watilla 8 ohmin kuormaan 0,001 %, kuva alla.
|

|
THD 10 watilla on 0,08 %.
|

|
Yhden prosentin säröllä
vahvistimen lähtöteho 8 ohmin kuormaan on 17 W.
|

|
Vahvistimessa
on myös kuulokeliitin sisäisellä keinokuormalla. Yhdellä
milliwatilla 50 ohmin kuormaan harmooninen särö on 0,0016 %. |

|