RUSKA
SE-AMPLIFIER
EBL1
SE STEREO AMPLIFIER
AMPLIFIER
BUILDING UP |

RUSKA
EBL1 SE-vahvistimen ensimmäinen versio |
Ensimmäinen
versio Ruska vahvistimesta toteutettiin ns. poin-to-point
menetelmällä. Tästä ei ole olemassa kuvia. Toinen versio
tullaan toteuttamaan kytkentälevyille, joihin asennetaan
putkiniittejä juotospisteiksi, ns. eyeletit.
|
|
|
oikea pääty
|
|
vasen pääty
|
|
|
|
|
|
|

|
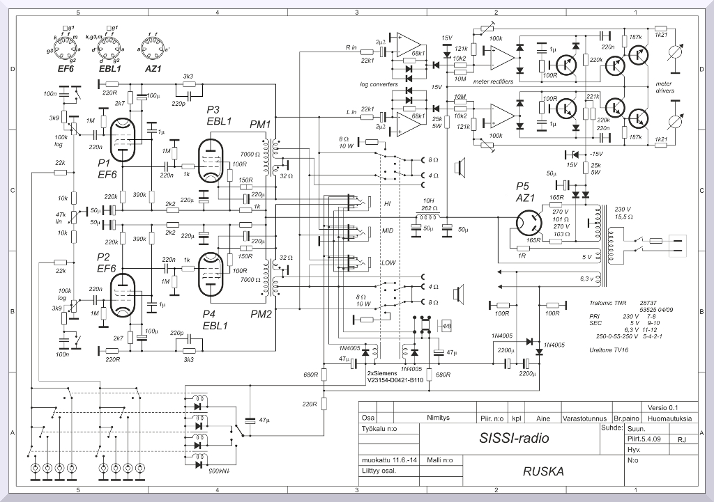
RUSKA
VAHVISTIMEN KYTKENTÄKAAVIO |
|

|
RUSKA
VAHVISTIMEN KOMPONENTTIEN SOVITUS |
|

|
RUSKA
VAHVISTIMEN SASSIS ALTA
14.6.2014 |
|

|
RUSKA
VAHVISTIMEN SASSIS PÄÄLTÄ 14.6.2014 |
|

|
RUSKA
VAHVISTIMEN SASSIS TAKAA 14.6.2014 |
|