Kismet
on automaattibiasoitu vastavaihevahvistin, joka on toteutettu ECL82
putkilla. Kismet
vahvistin perustuu PCL84 testisarjan vastavaihevahvistimeen.
Vahvistimen tehoasteen putket voivat olla yksinkertaisia tai
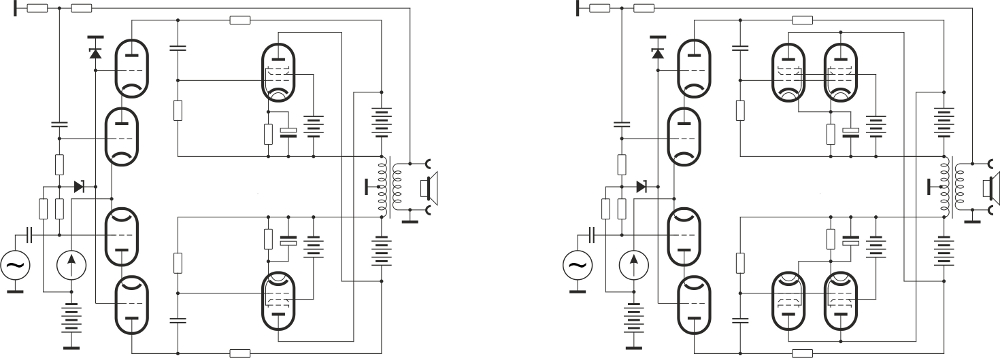
kahdennettuja. Kismet vahvistimen periaatekaaviot ovat alla, vasemmalla
yksinkertaisilla putkilla ja oikealla kahdennetuilla putkilla.
Pääteputkia ohjataan kaskodiin kytketyllä
differentiaaliasteella, jossa tapahtuu myös tarvittava
vaiheenkääntö. Kaskodin vahvistus on suuri jolloin ei
tarvita muita jännitevahvistusasteita. Vahvistusvaraa
jää vielää lähes 20 dB:n
vastakytkennälle. Kaskodin alemmat putket toimivat lähes
vakio anodijännitteellä jolloin Miller kapasitanssi
jää hyvin pieneksi ja sitä kautta taajuusvaste ulottuu
suurille taajuuksille. Lisäksi kaskodi on pienikohinainen.
Diferentiaaliasteen katodeilla oleva vakiovirtageneraattori voidaan
toteuttaa useammallakin tapaa. Yksinkertaisin on kiinteä vastus,
mutta tämä ei toimi kovin hyvin. Vakiovirtageneraattorina
voidaan käyttää putkea tai puolijohteita.

Kismet-sarjan vahvistimia
yhdistää putki ECL82 ja automaattibiasoitu vastavaihekytkentä mutta ei
niiden ulkoasu. Ulkoasullisesti vahvistimet eroavat
merkittävästi toisistaan. Esimerkiksi Kismet BIC asennetaan
levysoittimeen ja Kismet HT on kolmikanavainen kotiteatterivahvistin,
joka koostuu kaksikanavaisesta keskusyksiköstä ja monobloki
keskikanavasta. Sarja täydentyy sitä mukaa kun työn alle tulee uusia
sovelluksia.
Prototyypin saundi osoittautui erittäin hyväksi. Se
oli kuitenkin suhteellisen pienitehoinen mono-vahvistin, jossa vakiovirtageneraattorina oli vastus.
Proto oli kuitenkin hyvä pohja useampikanavaisille ja suurempitehoisille vahvistimille.
|